Votre panier est vide
Mon panier -
Vider
Prix total ...
Caisse
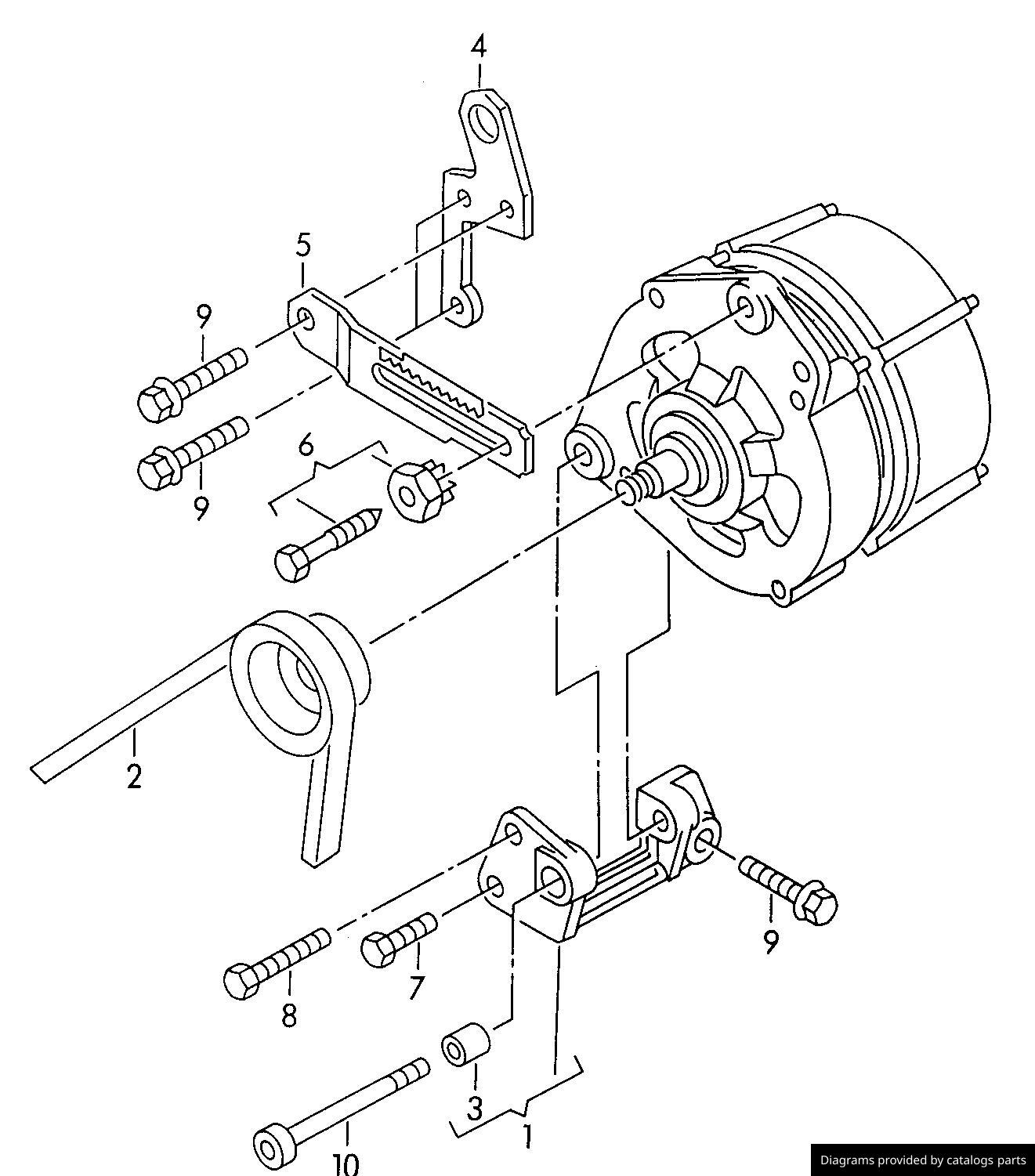
* Vous pouvez appuyer sur le numéro de la pièce pour l'afficher sur le diagramme. Et inversement.
Non Code de la pièce Titre Note QNT Modèle Prix
pieces de fixation et de
raccord p. alternateur

Courroie multipistes
4 cyl. -
1 049903103B support p. alternateur 1 From ...
2 050903137C Courroie multipistes 14,24X856MM 1 -
3 049903149 douille 1 From ...
4 026903245A Support 1 From ...
5 026903247B etrier de serrage 1 From ...
6 034903555B vis de serrage 1 From ...
7 N 01023911 vis 6 pans M8X18 1 -
8 N 0102695 vis 6 pans M8X38 1 From ...
9 N 0195024 vis 6 pans a embase M8X25 4 From ...
10 N 0447591 Vis a tete cylindrique avec
six pans internes
M8X95 1 From ...
J’accepte
Afin d’améliorer la qualité de votre navigation, nous utilisons sur ce site des cookies à des fins statistiques et de marketing direct, que vous pouvez annuler à tout moment en modifiant les paramètres de votre navigateur web et en supprimant les cookies saisis. En savoir plus.