Votre panier est vide
Mon panier -
Vider
Prix total ...
Caisse
* Vous pouvez appuyer sur le numéro de la pièce pour l'afficher sur le diagramme. Et inversement.
Non Code de la pièce Titre Note QNT Modèle Prix
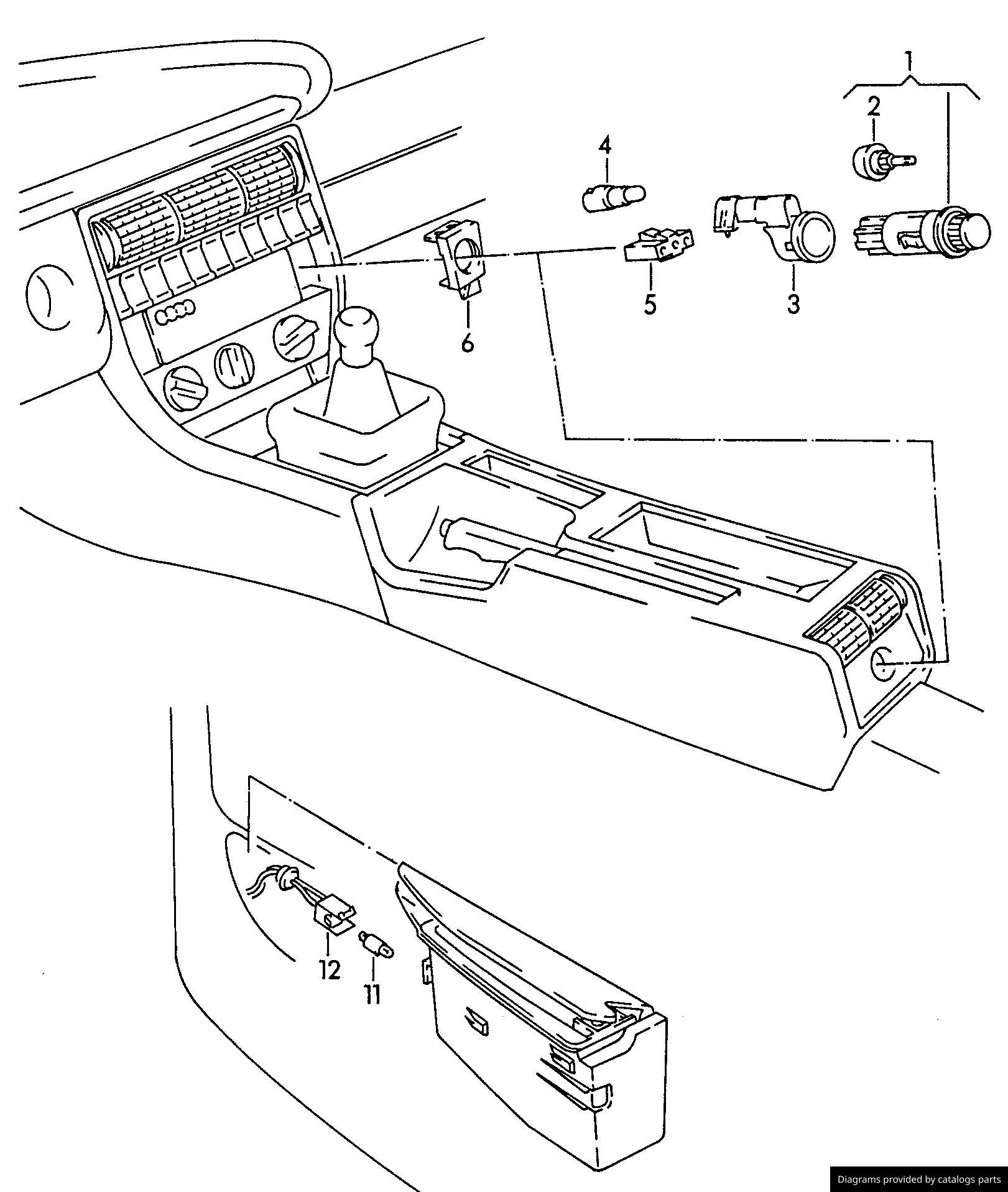
Allume-cigares
eclairage cendrier

ar
-
1 191919305B Allume-cigares 1 From ...
1 4A0919305B Allume-cigares
p. vehicules avec autoradio

-BETA-/-GAMMA-
-DELTA-
1 -
4A0919305B 01C noir satine -
2 plus disponible X -
3 4A0919343A manchon de serrage p.
allume-cigare
1 -
4 6K0919243 Support de lampe avec ampoule X From ...
11 N 90331001 ampoule à incandescence WS1,2-12V0,45W
rouge
X From ...
12 447919386 Culot de lampe X -
20 183925069 prise de courant X -
21 893925071A prise de courant 1 police -
J’accepte
Afin d’améliorer la qualité de votre navigation, nous utilisons sur ce site des cookies à des fins statistiques et de marketing direct, que vous pouvez annuler à tout moment en modifiant les paramètres de votre navigateur web et en supprimant les cookies saisis. En savoir plus.