| Non | Code de la pièce | Titre | Note | QNT | Modèle | Prix |
|---|---|---|---|---|---|---|
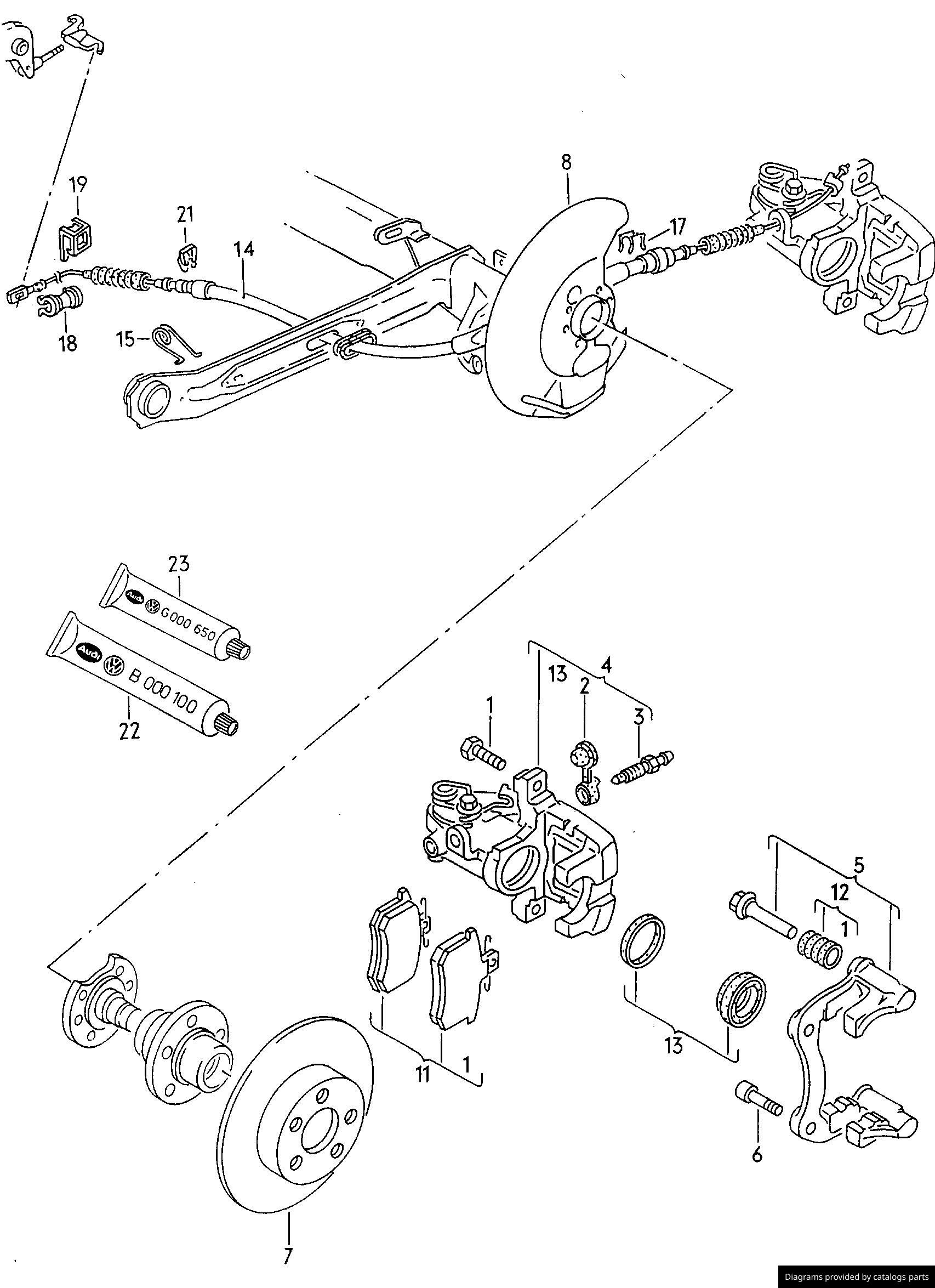
| Frein a etrier flottant boitier d'etrier de frein plateau de frein avec pivot de guidage Disque de frein |
ar GIRLING 245X10MM |
- | ||||
| 1 | 321615141 | vis six pans, autoserreuse |
M8X21 | 2 | - | |
| 2 | 211611483 | capuchon antipoussiere | 2 | From ... | ||
| 3 | 357615273 | soupape de purge | M10X1 | 2 | From ... | |
| 4 | 4A0615423 | boitier d'etrier de frein | gauche | 1 | - | |
| 4 | 4A0615423 X | boitier d'etrier de frein | gauche | 1 | - | |
| 4 | 4A0615424 | boitier d'etrier de frein | droite | 1 | - | |
| 4 | 4A0615424 X | boitier d'etrier de frein | droite | 1 | - | |
| 4 | 4A0698680 X | 1 serie boitier d'etrier | 1 | - | ||
| 191615295 | Ressort boitier d'etrier de frein a utiliser p.: |
gauche 4A0 615 423 |
1 | - | ||
| 191615296 | Ressort boitier d'etrier de frein a utiliser p.: |
droite 4A0 615 424 |
1 | - | ||
| 5 | 443615425A | plateau de frein avec pivot de guidage |
2 | - | ||
| 6 | N 0199123 | Vis a tete cylindrique avec six pans internes |
M10X1,25X20 | 4 | From ... | |
| 7 | 4A0615601A | Disque de frein | 245X10 5/112 | 2 | From ... | |
| 8 | 443615611B | protecteur p. disque de frein | gauche | 1 | - | |
| 8 | 443615612B | protecteur p. disque de frein | droite | 1 | - | |
| N 90415404 | Vis a tete cylindrique avec six pans internes (combi) |
M8X22 | 12 | From ... | ||
| 11 | 4D0698451F | 1 serie de plaquettes de frein p. frein a disque |
1 | From ... | ||
| 12 | 8E0698470B | 1 jeu gaines de protection pour axes de guidage |
2 | From ... | ||
| 13 | 8D0698671 | Jeu de joints pour logement d'etrier de frein |
1 | - | ||
| 14 | 4A0609721D | cable de frein | 1511MM | 2 | - | |
| 15 | 4A0609735 | support p. cable de frein | 2 | - | ||
| 17 | N 90070303 | Rondelle de securite | 2 | - | ||
| 18 | 4A0711311 | douille | 1 | - | ||
| 19 | 4A0711315 | clip | 1 | - | ||
| 21 | N 90052702 | Rondelle de securite | 8 | 2 | From ... | |
| 22 | G 052150A2 | Graisse lubrifiante au Lithium | 180G | 1 | From ... | |
| 23 | G 000650 | Pate lubrifiante ferme | 100G | X | From ... |