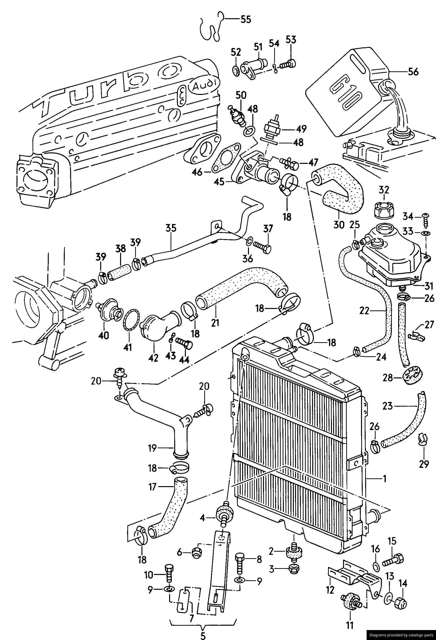
| Non | Code de la pièce | Titre | Note | QNT | Modèle | Prix |
|---|---|---|---|---|---|---|
| Refroidisseur a refrigerant | KW | - | ||||
| 1 | plus disponible | 1 | - | |||
| 2 | 431121273 | patin metal caoutchouc | 1 | - | ||
| 3 | N 90908301 | Ecrou hexagonal embase, autobloquante |
M8 | 1 | - | |
| 4 | 443121273E | patin metal caoutchouc | 1 | - | ||
| 5 | 859121261 | Support | 1 | - | ||
| 6 | N 01118312 | ecrou 6 pans, autoserreur | M6 | 1 | From ... | |
| 7 | selon les moyens de l'atelier | - | ||||
| 8 | N 01021226 | vis 6 pans | M6X12 | 1 | From ... | |
| 9 | N 01152423 | Rondelle plate | 6,4X12,5X1,6 | 2 | - | |
| 10 | N 01021527 | vis 6 pans | M6X15 | 1 | From ... | |
| 11 | 06F121273 | patin metal caoutchouc | 1 | From ... | ||
| 12 | 859121241 | Support | 1 | - | ||
| 13 | N 01167016 | Rondelle plate | 8,4X24X2 | 1 | - | |
| 14 | N 0111849 | ecrou 6 pans, autoserreur | M8 | 1 | From ... | |
| 15 | N 01021527 | vis 6 pans | M6X15 | 4 | From ... | |
| 16 | N 01152423 | Rondelle plate | 6,4X12,5X1,6 | 4 | - | |
| 17 | 859121063 | Flexible liquide refroid. | 1 | - | ||
| 18 | N 0245077 | Collier | 32-50X9X0,5 | 6 | - | |
| 19 | 859121071 | tuyau a refrigerant | 1 | - | ||
| 20 | N 0139681 | vis a tole tete bombee utiliser en meme temps: |
ST4,8X13-C N 011 665 3 |
2 2 |
From ... | |
| 21 | 859121055 | Flexible liquide refroid. | 1 | - | ||
| N 90099603 | flexible en rouleaux de 5m 'unite de commande 5' |
5,5X3 | * | - | ||
| 22 | raccourcir a: | 400MM | 1 | - | ||
| 23 | 859121109 | Flexible liquide refroid. | 1 | - | ||
| 24 | N 10258201 | Collier | 12-22X9X0,4 | 1 | From ... | |
| 25 | N 0245281 | Collier de flexible | 8-12X8X0,4 | 1 | From ... | |
| 26 | N 90561801 | Collier | 16-28X9X0,5 | 2 | From ... | |
| 27 | 035121093K | Support pour flexible | 1 | - | ||
| 28 | 811121451 | bague de protection | 1 | - | ||
| 29 | 035121093H | Support pour flexible | 1 | - | ||
| N 90666101 | serre-cable | 4,6X200 | 1 | From ... | ||
| 30 | 859121101A | Flexible liquide refroid. | 1 | - | ||
| 31 | 857121403 | vase d'expansion | 1 | - | ||
| 32 | 443121321 | bouchon | 1 | From ... | ||
| 33 | N 0116653 | Rondelle plate | 5,3X15X1,6 | 3 | - | |
| 34 | N 0139755 | vis a tole tete bombee | 4,8X19 | 2 | From ... | |
| 35 | 035121071AH | tuyau a refrigerant | 1 | - | ||
| 36 | N 01152527 | Rondelle plate | 8,4X16X1,6 | 1 | From ... | |
| 37 | N 01024016 | vis 6 pans | M8X20 | 1 | From ... | |
| 37 | N 01023820 | vis 6 pans | M8X15 | 1 | From ... | |
| 38 | 859121063A | Flexible liquide refroid. | 1 | - | ||
| 39 | N 10258101 | Collier | 23-35X9X0,5 | 2 | From ... | |
| 40 | 069121113 | Regulateur de refrigerant | 87 C | 1 | From ... | |
| 41 | N 90136802 | Joint torique | 60X3,50 | 1 | From ... | |
| 42 | 035121121A | couvercle | 1 | - | ||
| 43 | N 0122265 | Rondelle elastique | 6 | 2 | From ... | |
| 44 | N 0102191 | vis 6 pans | M6X28 | 2 | From ... | |
| 45 | plus disponible | - | ||||
| 037121687 | bague-joint | 36X3,15 | 1 | From ... | ||
| 46 | 052121091A | joint | 1 | From ... | ||
| 47 | N 01021612 | vis 6 pans utiliser en meme temps: |
M6X18 N 012 226 5 |
2 2 |
From ... | |
| N 0122265 | Rondelle elastique | 6 | 2 | From ... | ||
| 48 | N 0138115 | bague-joint | 10X13,5 | 2 | From ... | |
| 49 | 171919521F | contacteur de temperature | 120C M10X1 1 pole noir |
1 | - | |
| 50 | 034919501A | Capteur de temperature | 0-150C M10X1 1 pole blanc |
1 | - | |
| 51 | 034121143 | Tubulures | 1 | - | ||
| 52 | N 90035103 | Joint torique | 21X3 | 1 | From ... | |
| 53 | N 0147074 | Vis a tete cylindrique avec six pans internes |
M8X15 | 1 | From ... | |
| 54 | N 01224110 | Rondelle elastique | B8X15 | 1 | From ... | |
| 55 | plus disponible | - | ||||
| 56 | G 012A8FM1 | additif antigel, plus | 1,5l | X | - | |
| 56 | G 012A8FM8 | additif antigel, plus | 60l | X | - |