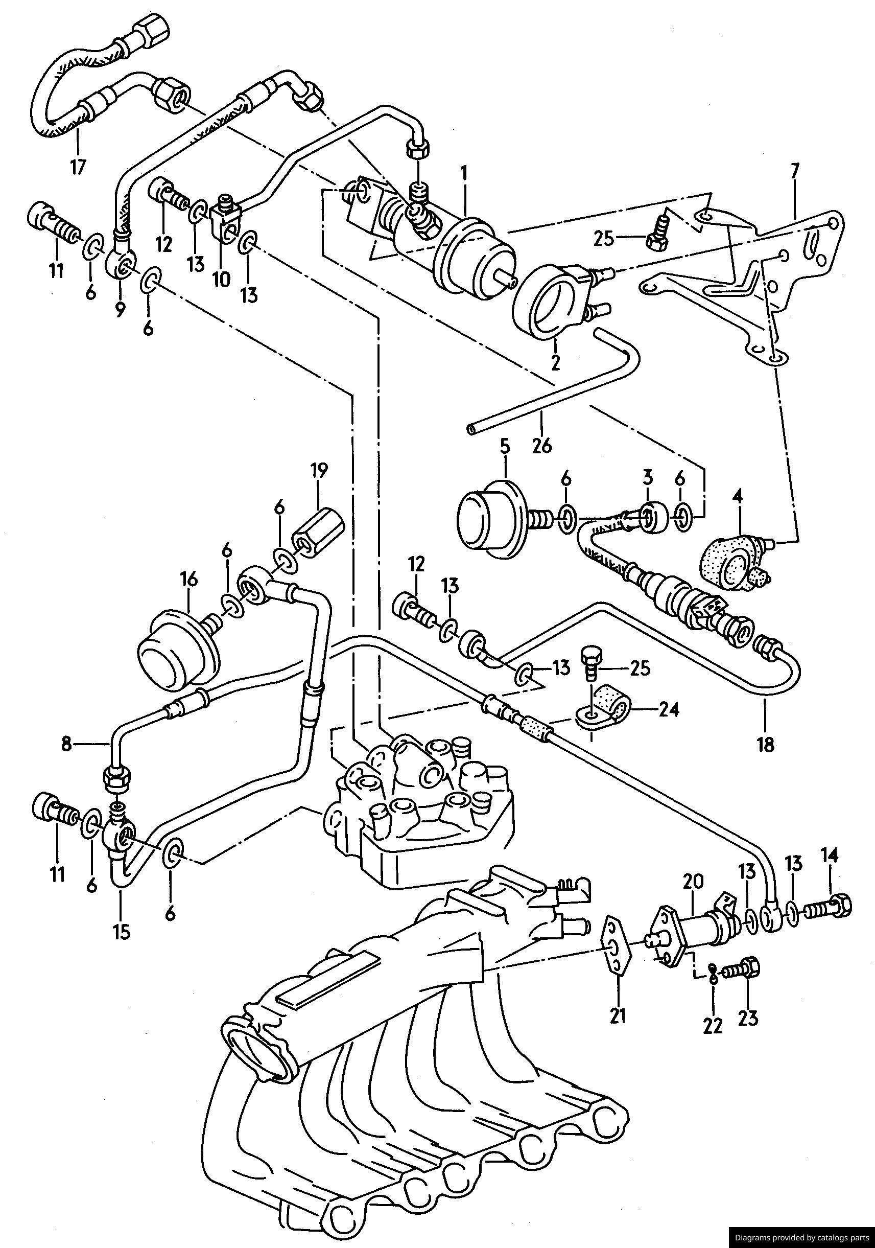
| Non | Code de la pièce | Titre | Note | QNT | Modèle | Prix |
|---|---|---|---|---|---|---|
| regulateur de pression tuyau de carburant |
MB | - | ||||
| 1 | 034133534L | regulateur de pression | 1 | - | ||
| 2 | 034133459B | appui | 1 | - | ||
| 3 | 034906267B | Soupape | 1 | - | ||
| 4 | 035906273 | douille | 1 | - | ||
| 5 | 035133533A | amortisseur de pression | 1 | - | ||
| 6 | N 0138128 | bague-joint | 12X15,5X1,5 | 8 | From ... | |
| 7 | 034906285D | Support | 1 | - | ||
| 8 | 034133660Q | conduite de carburant | 1 | - | ||
| 9 | 034133673M | tuyau de carburant | retour | 1 | - | |
| 10 | 034133673N | Tuyau de raccordement | retour | 1 | - | |
| 11 | 035133691 | Vis creuse | 2 | - | ||
| 12 | 035133691B | Vis a bois avec six pans creux |
M8X17 | 2 | - | |
| 13 | N 0138076 | bague-joint | 8X11,5 | 6 | From ... | |
| 14 | N 90183603 | Vis creuse | 5 | X | From ... | |
| 15 | 034133715J | conduite de carburant | alimentation | 1 | - | |
| 16 | 857133533 | amortisseur de pression | 1 | - | ||
| 17 | 034133717N | conduite de carburant | retour | 1 | - | |
| 18 | 034133747E | tuyau de carburant | 1 | - | ||
| 19 | 035133769B | ajutage filete | 1 | - | ||
| 20 | 035906171A | soupape de lancement | 1 | - | ||
| 21 | 050906179 | joint | 1 | From ... | ||
| 22 | N 0122265 | Rondelle elastique | 6 | 2 | From ... | |
| 23 | N 01470210 | Vis a tete cylindrique avec six pans internes |
M6X15 | 2 | From ... | |
| 24 | N 0206093 | Collier | 8X15 | 1 | From ... | |
| 25 | N 01021527 | vis 6 pans | M6X15 | 2 | From ... | |
| N 02035327 | flexible en rouleaux de 5m 'unite de commande 5' |
3,5X2 | * | From ... | ||
| 26 | raccourcir a: | 220MM | 1 | - |